BatReg²

BatReg²

New

High-Precision Bidirectional and Regenerative Battery Cyclers and Testers

High-precision Bidirectional and Regenerative Digital Battery Cyclers and Testers with Polarity Detection, Embedded Web-Server, AWG and 4-channel oscilloscope. Output ratings up to 100 V and ±150 A

 

See accessories

 
  • Overview
  • Features
  • Technical specifications
  • Ordering options
  • Documentation
  • Software/Firmware

Overview


BatReg²

The ideal solution for battery testing, cycling and charging.

The BatReg² (= Battery Regenerative Regulator) series is the new family of bidirectional and regenerative power supplies specifically designed for the demanding needs of precision battery testing and cycling. These units are designed to safely return the excess energy to the grid while having state-of-the-art performances in all output control modes. Single units with ratings up to 100 V and up to ±150 A are available.

The unit can work on different modes for the output regulation: Constant Voltage (CV), Constant Current (CC) and Constant Power (CP).

The output setting (voltage, current, power) and readback can be performed with a 24-bit @ 100 kHz resolution.

BatReg²
Maximum flexibility for battery testing with best-in-class performance, digital control and different regulation modes.

Battery testing requires a variety of operating modes, high speed and high resolution: all these are key features of this power supply series.

These modules embed a polarity detection circuit that safely checks the connection to the battery in order to prevent damages or risks and enables the power output only on a positive result of this control.

The high-efficiency and regenerative architecture of these units also allows to reduce operation costs and power dissipation especially when a large number of units are needed.

The high equivalent output switching frequency of the units (400 kHz or 200 kHz, depending on the model) also makes the output noise and ripple level in the bandwidth of interest very low.

BatReg²
ENERGY SAVINGS for sustainability and operation cost reduction!

The BatReg² power units feature high-efficiency both in charging and discharging modes. The regenerative architecture allows sending the energy back into the grid in the discharge phase. Cost savings for a 100-unit installation may reach 150.000-200.000 $/year*.

Temperature-regulated high-precision electronics and the use of our 0-FLUCS technology for current sensing makes these power supplies the perfect fit for precise battery testing and cycling. The main applications include:

  • battery testing;
  • battery cycling;
  • battery charging;
  • battery simulation.

Trigger input, analog control input, extra auxiliary ADC input (16-bit 100 ksps) and a K-type thermocouple input are available as options (code: FB1K5OPT0001) for all models.

* estimation based on Electricity Price in New York State (August 2024 – 0.276 $/kWh) from the U.S. Bureau of Labor Statistics. All power supplies are considered to be working continuously as sources for 12 hrs/day and as sinks for the other 12 hrs/day at full-output power.

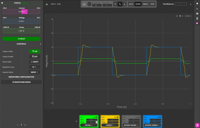
BatReg²
AWG and 4-channel precision Oscilloscope on the embedded Web-Server GUI

The embedded Web-Server GUI, easily accessible via the 10/100/1000 Mbit Ethernet  (TCP-IP or UDP) connection, allows monitoring and configuring the power supply for all types of tests, experiments and operations that needs to be performed.

The BatReg² units feature a 24-bit digital Arbitrary Waveform Generator (AWG) running at 100 kHz and a 4-channel oscilloscope that runs at the same datarate using a DMA (Direct Memory Access).

The control loop is digital in order to obtain the maximum flexibility and easiness of configuration to any connected battery type (cells, modules and also packs).

An acoustic alarm (buzzer), which can be enabled or disabled in case of fault conditions, is also present on all units and it can be extremely useful when local testing/cycling is performed.

External configurable interlocks, over-voltage and over-current protections among others are also available via the power platform given by the on board SoC (FPGA+CPU) and DSP.

The power supply also have the possibility of communicating using an ASCII-based protocol.

Features

  • Bidirectional and Regenerative
  • Battery Polarity detection circuit
  • Models up to 100 V and ±150 A
  • High efficiency for energy and cost savings
  • Constant Voltage (CV), Constant Current (CC) and Constant Power (CP)
  • Configurable Digital Control Loop
  • Maximum sampling at 100 ksps 24-bit
  • Analog Control Input, Trigger Input and Auxiliary ADC Input (optional)
  • K-type thermocouple Temperature readout (optional)
  • Embedded AWG and 4-channel Oscilloscope at 100 ksps 24-bit
  • 10/100/1000 Mbit Ethernet TCP-IP or UDP connectivity
  • Embedded Web Server GUI
  • Configurable acoustic alarm
  • External Interlocks and Status Signals
  • Local Display and Control

Technical specifications

  • BREG2010150A
  • BREG2020100A
  • BREG2040050A
  • BREG2050030A
  • BREG2100020A

Model

BREG2010150A

BREG2020100A

BREG2040050A

BREG2050030A

BREG2100020A

Output Voltage Range

0 - 10 V

Output Voltage Range

0 - 10 V

0 - 20 V

0 - 40 V

0 - 50 V

0 - 100 V

Output Current Range

±150 A

Output Current Range

±150 A

±100 A

±50 A

±30 A

±20 A

Rated Output Power

1500 W

Rated Output Power

1500 W

1500 W

1500 W

1500 W

2000 W

Output Topology

Bidirectional

Bidirectional

Bidirectional

Bidirectional

Bidirectional

Regulation Type

Constant Current (CC), Constant Voltage (CV) and Constant Power (CP)

Constant Current (CC), Constant Voltage (CV) and Constant Power (CP)

Constant Current (CC), Constant Voltage (CV) and Constant Power (CP)

Constant Current (CC), Constant Voltage (CV) and Constant Power (CP)

Constant Current (CC), Constant Voltage (CV) and Constant Power (CP)

Current Setting/Readback resolution

24 bit

24 bit

24 bit

24 bit

24 bit

Voltage Setting/Readback resolution

24 bit

24 bit

24 bit

24 bit

24 bit

Switching Frequency (equivalent)

200 kHz

Switching Frequency (equivalent)

200 kHz

200 kHz

200 kHz

200 kHz

200 kHz

Efficiency AC/DC

> 86 %

> 86 %

> 86 %

> 86 %

> 86 %

Efficiency DC/AC

> 80 %

> 80 %

> 80 %

> 80 %

> 80 %

Rise time (10-90 %)

< 50 µs

Rise time (10-90 %)

< 50 µs

< 50 µs

< 50 µs

< 65 µs

< 65 µs

Closed Loop Bandwidth (-3 dB)

> 8 kHz

Closed Loop Bandwidth (-3 dB)

> 8 kHz

> 8 kHz

> 8 kHz

> 6.5 kHz

> 6.5 kHz

Output Accuracy

< 0.01 %/FS

< 0.01 %/FS

< 0.01 %/FS

< 0.01 %/FS

< 0.01 %/FS

Temperature Stability

< 10 ppm/K/FS

< 10 ppm/K/FS

< 10 ppm/K/FS

< 10 ppm/K/FS

< 10 ppm/K/FS

Long-Term Stability (8 h)

< 10 ppm/FS

< 10 ppm/FS

< 10 ppm/FS

< 10 ppm/FS

< 10 ppm/FS

Cooling

Forced air convection

Forced air convection

Forced air convection

Forced air convection

Forced air convection

Input Ratings

180 - 264 VAC / 47 - 63 Hz

180 - 264 VAC / 47 - 63 Hz

180 - 264 VAC / 47 - 63 Hz

180 - 264 VAC / 47 - 63 Hz

180 - 264 VAC / 47 - 63 Hz

Communication Interfaces

Ethernet 10/100/1000 Mbit TCP-IP and UDP
2 x Fast SFP+ ports

Ethernet 10/100/1000 Mbit TCP-IP and UDP
2 x Fast SFP+ ports

Ethernet 10/100/1000 Mbit TCP-IP and UDP
2 x Fast SFP+ ports

Ethernet 10/100/1000 Mbit TCP-IP and UDP
2 x Fast SFP+ ports

Ethernet 10/100/1000 Mbit TCP-IP and UDP
2 x Fast SFP+ ports

External Signals

1 x Acoustic Alarm (configurable)
4 x External Interlock Inputs (configurable dry contacts)
1 x Status Output Relay (magnetic)
1 x Output Relay (solid state)

1 x Acoustic Alarm (configurable)
4 x External Interlock Inputs (configurable dry contacts)
1 x Status Output Relay (magnetic)
1 x Output Relay (solid state)

1 x Acoustic Alarm (configurable)
4 x External Interlock Inputs (configurable dry contacts)
1 x Status Output Relay (magnetic)
1 x Output Relay (solid state)

1 x Acoustic Alarm (configurable)
4 x External Interlock Inputs (configurable dry contacts)
1 x Status Output Relay (magnetic)
1 x Output Relay (solid state)

1 x Acoustic Alarm (configurable)
4 x External Interlock Inputs (configurable dry contacts)
1 x Status Output Relay (magnetic)
1 x Output Relay (solid state)

Optional Features (code FB1K5OPT0001)

1 x Trigger Input (LVTTL, TTL)
1 x Analog Control Input (±10 V)
1 x Auxiliary ADC Input (16 bit, 100 ksps)
1 x K-type Thermocouple Input

1 x Trigger Input (LVTTL, TTL)
1 x Analog Control Input (±10 V)
1 x Auxiliary ADC Input (16 bit, 100 ksps)
1 x K-type Thermocouple Input

1 x Trigger Input (LVTTL, TTL)
1 x Analog Control Input (±10 V)
1 x Auxiliary ADC Input (16 bit, 100 ksps)
1 x K-type Thermocouple Input

1 x Trigger Input (LVTTL, TTL)
1 x Analog Control Input (±10 V)
1 x Auxiliary ADC Input (16 bit, 100 ksps)
1 x K-type Thermocouple Input

1 x Trigger Input (LVTTL, TTL)
1 x Analog Control Input (±10 V)
1 x Auxiliary ADC Input (16 bit, 100 ksps)
1 x K-type Thermocouple Input

Internal Interlocks

DC-Link Undervoltage
Over-Temperature
Over-Current and Over-Voltage
Regulation Fault

DC-Link Undervoltage
Over-Temperature
Over-Current and Over-Voltage
Regulation Fault

DC-Link Undervoltage
Over-Temperature
Over-Current and Over-Voltage
Regulation Fault

DC-Link Undervoltage
Over-Temperature
Over-Current and Over-Voltage
Regulation Fault

DC-Link Undervoltage
Over-Temperature
Over-Current and Over-Voltage
Regulation Fault

Hardware Protections

Battery Polarity Detection with embedded output enable switch
Input Fuses

Battery Polarity Detection with embedded output enable switch
Input Fuses

Battery Polarity Detection with embedded output enable switch
Input Fuses

Battery Polarity Detection with embedded output enable switch
Input Fuses

Battery Polarity Detection with embedded output enable switch
Input Fuses

Operating Ambient Temperature

0 ... 40 °C

0 ... 40 °C

0 ... 40 °C

0 ... 40 °C

0 ... 40 °C

Mechanical Dimensions

19" x 2U x 587 mm (including connectors)

19" x 2U x 587 mm (including connectors)

19" x 2U x 587 mm (including connectors)

19" x 2U x 587 mm (including connectors)

19" x 2U x 587 mm (including connectors)

Weight

15 kg

15 kg

15 kg

15 kg

15 kg

Output Voltage Range

0 - 20 V

Output Voltage Range

0 - 10 V

0 - 20 V

0 - 40 V

0 - 50 V

0 - 100 V

Output Current Range

±100 A

Output Current Range

±150 A

±100 A

±50 A

±30 A

±20 A

Rated Output Power

1500 W

Rated Output Power

1500 W

1500 W

1500 W

1500 W

2000 W

Output Topology

Bidirectional

Bidirectional

Bidirectional

Bidirectional

Bidirectional

Regulation Type

Constant Current (CC), Constant Voltage (CV) and Constant Power (CP)

Constant Current (CC), Constant Voltage (CV) and Constant Power (CP)

Constant Current (CC), Constant Voltage (CV) and Constant Power (CP)

Constant Current (CC), Constant Voltage (CV) and Constant Power (CP)

Constant Current (CC), Constant Voltage (CV) and Constant Power (CP)

Current Setting/Readback resolution

24 bit

24 bit

24 bit

24 bit

24 bit

Voltage Setting/Readback resolution

24 bit

24 bit

24 bit

24 bit

24 bit

Switching Frequency (equivalent)

200 kHz

Switching Frequency (equivalent)

200 kHz

200 kHz

200 kHz

200 kHz

200 kHz

Efficiency AC/DC

> 86 %

> 86 %

> 86 %

> 86 %

> 86 %

Efficiency DC/AC

> 80 %

> 80 %

> 80 %

> 80 %

> 80 %

Rise time (10-90 %)

< 50 µs

Rise time (10-90 %)

< 50 µs

< 50 µs

< 50 µs

< 65 µs

< 65 µs

Closed Loop Bandwidth (-3 dB)

> 8 kHz

Closed Loop Bandwidth (-3 dB)

> 8 kHz

> 8 kHz

> 8 kHz

> 6.5 kHz

> 6.5 kHz

Output Accuracy

< 0.01 %/FS

< 0.01 %/FS

< 0.01 %/FS

< 0.01 %/FS

< 0.01 %/FS

Temperature Stability

< 10 ppm/K/FS

< 10 ppm/K/FS

< 10 ppm/K/FS

< 10 ppm/K/FS

< 10 ppm/K/FS

Long-Term Stability (8 h)

< 10 ppm/FS

< 10 ppm/FS

< 10 ppm/FS

< 10 ppm/FS

< 10 ppm/FS

Cooling

Forced air convection

Forced air convection

Forced air convection

Forced air convection

Forced air convection

Input Ratings

180 - 264 VAC / 47 - 63 Hz

180 - 264 VAC / 47 - 63 Hz

180 - 264 VAC / 47 - 63 Hz

180 - 264 VAC / 47 - 63 Hz

180 - 264 VAC / 47 - 63 Hz

Communication Interfaces

Ethernet 10/100/1000 Mbit TCP-IP and UDP
2 x Fast SFP+ ports

Ethernet 10/100/1000 Mbit TCP-IP and UDP
2 x Fast SFP+ ports

Ethernet 10/100/1000 Mbit TCP-IP and UDP
2 x Fast SFP+ ports

Ethernet 10/100/1000 Mbit TCP-IP and UDP
2 x Fast SFP+ ports

Ethernet 10/100/1000 Mbit TCP-IP and UDP
2 x Fast SFP+ ports

External Signals

1 x Acoustic Alarm (configurable)
4 x External Interlock Inputs (configurable dry contacts)
1 x Status Output Relay (magnetic)
1 x Output Relay (solid state)

1 x Acoustic Alarm (configurable)
4 x External Interlock Inputs (configurable dry contacts)
1 x Status Output Relay (magnetic)
1 x Output Relay (solid state)

1 x Acoustic Alarm (configurable)
4 x External Interlock Inputs (configurable dry contacts)
1 x Status Output Relay (magnetic)
1 x Output Relay (solid state)

1 x Acoustic Alarm (configurable)
4 x External Interlock Inputs (configurable dry contacts)
1 x Status Output Relay (magnetic)
1 x Output Relay (solid state)

1 x Acoustic Alarm (configurable)
4 x External Interlock Inputs (configurable dry contacts)
1 x Status Output Relay (magnetic)
1 x Output Relay (solid state)

Optional Features (code FB1K5OPT0001)

1 x Trigger Input (LVTTL, TTL)
1 x Analog Control Input (±10 V)
1 x Auxiliary ADC Input (16 bit, 100 ksps)
1 x K-type Thermocouple Input

1 x Trigger Input (LVTTL, TTL)
1 x Analog Control Input (±10 V)
1 x Auxiliary ADC Input (16 bit, 100 ksps)
1 x K-type Thermocouple Input

1 x Trigger Input (LVTTL, TTL)
1 x Analog Control Input (±10 V)
1 x Auxiliary ADC Input (16 bit, 100 ksps)
1 x K-type Thermocouple Input

1 x Trigger Input (LVTTL, TTL)
1 x Analog Control Input (±10 V)
1 x Auxiliary ADC Input (16 bit, 100 ksps)
1 x K-type Thermocouple Input

1 x Trigger Input (LVTTL, TTL)
1 x Analog Control Input (±10 V)
1 x Auxiliary ADC Input (16 bit, 100 ksps)
1 x K-type Thermocouple Input

Internal Interlocks

DC-Link Undervoltage
Over-Temperature
Over-Current and Over-Voltage
Regulation Fault

DC-Link Undervoltage
Over-Temperature
Over-Current and Over-Voltage
Regulation Fault

DC-Link Undervoltage
Over-Temperature
Over-Current and Over-Voltage
Regulation Fault

DC-Link Undervoltage
Over-Temperature
Over-Current and Over-Voltage
Regulation Fault

DC-Link Undervoltage
Over-Temperature
Over-Current and Over-Voltage
Regulation Fault

Hardware Protections

Battery Polarity Detection with embedded output enable switch
Input Fuses

Battery Polarity Detection with embedded output enable switch
Input Fuses

Battery Polarity Detection with embedded output enable switch
Input Fuses

Battery Polarity Detection with embedded output enable switch
Input Fuses

Battery Polarity Detection with embedded output enable switch
Input Fuses

Operating Ambient Temperature

0 ... 40 °C

0 ... 40 °C

0 ... 40 °C

0 ... 40 °C

0 ... 40 °C

Mechanical Dimensions

19" x 2U x 587 mm (including connectors)

19" x 2U x 587 mm (including connectors)

19" x 2U x 587 mm (including connectors)

19" x 2U x 587 mm (including connectors)

19" x 2U x 587 mm (including connectors)

Weight

15 kg

15 kg

15 kg

15 kg

15 kg

Output Voltage Range

0 - 40 V

Output Voltage Range

0 - 10 V

0 - 20 V

0 - 40 V

0 - 50 V

0 - 100 V

Output Current Range

±50 A

Output Current Range

±150 A

±100 A

±50 A

±30 A

±20 A

Rated Output Power

1500 W

Rated Output Power

1500 W

1500 W

1500 W

1500 W

2000 W

Output Topology

Bidirectional

Bidirectional

Bidirectional

Bidirectional

Bidirectional

Regulation Type

Constant Current (CC), Constant Voltage (CV) and Constant Power (CP)

Constant Current (CC), Constant Voltage (CV) and Constant Power (CP)

Constant Current (CC), Constant Voltage (CV) and Constant Power (CP)

Constant Current (CC), Constant Voltage (CV) and Constant Power (CP)

Constant Current (CC), Constant Voltage (CV) and Constant Power (CP)

Current Setting/Readback resolution

24 bit

24 bit

24 bit

24 bit

24 bit

Voltage Setting/Readback resolution

24 bit

24 bit

24 bit

24 bit

24 bit

Switching Frequency (equivalent)

200 kHz

Switching Frequency (equivalent)

200 kHz

200 kHz

200 kHz

200 kHz

200 kHz

Efficiency AC/DC

> 86 %

> 86 %

> 86 %

> 86 %

> 86 %

Efficiency DC/AC

> 80 %

> 80 %

> 80 %

> 80 %

> 80 %

Rise time (10-90 %)

< 50 µs

Rise time (10-90 %)

< 50 µs

< 50 µs

< 50 µs

< 65 µs

< 65 µs

Closed Loop Bandwidth (-3 dB)

> 8 kHz

Closed Loop Bandwidth (-3 dB)

> 8 kHz

> 8 kHz

> 8 kHz

> 6.5 kHz

> 6.5 kHz

Output Accuracy

< 0.01 %/FS

< 0.01 %/FS

< 0.01 %/FS

< 0.01 %/FS

< 0.01 %/FS

Temperature Stability

< 10 ppm/K/FS

< 10 ppm/K/FS

< 10 ppm/K/FS

< 10 ppm/K/FS

< 10 ppm/K/FS

Long-Term Stability (8 h)

< 10 ppm/FS

< 10 ppm/FS

< 10 ppm/FS

< 10 ppm/FS

< 10 ppm/FS

Cooling

Forced air convection

Forced air convection

Forced air convection

Forced air convection

Forced air convection

Input Ratings

180 - 264 VAC / 47 - 63 Hz

180 - 264 VAC / 47 - 63 Hz

180 - 264 VAC / 47 - 63 Hz

180 - 264 VAC / 47 - 63 Hz

180 - 264 VAC / 47 - 63 Hz

Communication Interfaces

Ethernet 10/100/1000 Mbit TCP-IP and UDP
2 x Fast SFP+ ports

Ethernet 10/100/1000 Mbit TCP-IP and UDP
2 x Fast SFP+ ports

Ethernet 10/100/1000 Mbit TCP-IP and UDP
2 x Fast SFP+ ports

Ethernet 10/100/1000 Mbit TCP-IP and UDP
2 x Fast SFP+ ports

Ethernet 10/100/1000 Mbit TCP-IP and UDP
2 x Fast SFP+ ports

External Signals

1 x Acoustic Alarm (configurable)
4 x External Interlock Inputs (configurable dry contacts)
1 x Status Output Relay (magnetic)
1 x Output Relay (solid state)

1 x Acoustic Alarm (configurable)
4 x External Interlock Inputs (configurable dry contacts)
1 x Status Output Relay (magnetic)
1 x Output Relay (solid state)

1 x Acoustic Alarm (configurable)
4 x External Interlock Inputs (configurable dry contacts)
1 x Status Output Relay (magnetic)
1 x Output Relay (solid state)

1 x Acoustic Alarm (configurable)
4 x External Interlock Inputs (configurable dry contacts)
1 x Status Output Relay (magnetic)
1 x Output Relay (solid state)

1 x Acoustic Alarm (configurable)
4 x External Interlock Inputs (configurable dry contacts)
1 x Status Output Relay (magnetic)
1 x Output Relay (solid state)

Optional Features (code FB1K5OPT0001)

1 x Trigger Input (LVTTL, TTL)
1 x Analog Control Input (±10 V)
1 x Auxiliary ADC Input (16 bit, 100 ksps)
1 x K-type Thermocouple Input

1 x Trigger Input (LVTTL, TTL)
1 x Analog Control Input (±10 V)
1 x Auxiliary ADC Input (16 bit, 100 ksps)
1 x K-type Thermocouple Input

1 x Trigger Input (LVTTL, TTL)
1 x Analog Control Input (±10 V)
1 x Auxiliary ADC Input (16 bit, 100 ksps)
1 x K-type Thermocouple Input

1 x Trigger Input (LVTTL, TTL)
1 x Analog Control Input (±10 V)
1 x Auxiliary ADC Input (16 bit, 100 ksps)
1 x K-type Thermocouple Input

1 x Trigger Input (LVTTL, TTL)
1 x Analog Control Input (±10 V)
1 x Auxiliary ADC Input (16 bit, 100 ksps)
1 x K-type Thermocouple Input

Internal Interlocks

DC-Link Undervoltage
Over-Temperature
Over-Current and Over-Voltage
Regulation Fault

DC-Link Undervoltage
Over-Temperature
Over-Current and Over-Voltage
Regulation Fault

DC-Link Undervoltage
Over-Temperature
Over-Current and Over-Voltage
Regulation Fault

DC-Link Undervoltage
Over-Temperature
Over-Current and Over-Voltage
Regulation Fault

DC-Link Undervoltage
Over-Temperature
Over-Current and Over-Voltage
Regulation Fault

Hardware Protections

Battery Polarity Detection with embedded output enable switch
Input Fuses

Battery Polarity Detection with embedded output enable switch
Input Fuses

Battery Polarity Detection with embedded output enable switch
Input Fuses

Battery Polarity Detection with embedded output enable switch
Input Fuses

Battery Polarity Detection with embedded output enable switch
Input Fuses

Operating Ambient Temperature

0 ... 40 °C

0 ... 40 °C

0 ... 40 °C

0 ... 40 °C

0 ... 40 °C

Mechanical Dimensions

19" x 2U x 587 mm (including connectors)

19" x 2U x 587 mm (including connectors)

19" x 2U x 587 mm (including connectors)

19" x 2U x 587 mm (including connectors)

19" x 2U x 587 mm (including connectors)

Weight

15 kg

15 kg

15 kg

15 kg

15 kg

Output Voltage Range

0 - 50 V

Output Voltage Range

0 - 10 V

0 - 20 V

0 - 40 V

0 - 50 V

0 - 100 V

Output Current Range

±30 A

Output Current Range

±150 A

±100 A

±50 A

±30 A

±20 A

Rated Output Power

1500 W

Rated Output Power

1500 W

1500 W

1500 W

1500 W

2000 W

Output Topology

Bidirectional

Bidirectional

Bidirectional

Bidirectional

Bidirectional

Regulation Type

Constant Current (CC), Constant Voltage (CV) and Constant Power (CP)

Constant Current (CC), Constant Voltage (CV) and Constant Power (CP)

Constant Current (CC), Constant Voltage (CV) and Constant Power (CP)

Constant Current (CC), Constant Voltage (CV) and Constant Power (CP)

Constant Current (CC), Constant Voltage (CV) and Constant Power (CP)

Current Setting/Readback resolution

24 bit

24 bit

24 bit

24 bit

24 bit

Voltage Setting/Readback resolution

24 bit

24 bit

24 bit

24 bit

24 bit

Switching Frequency (equivalent)

200 kHz

Switching Frequency (equivalent)

200 kHz

200 kHz

200 kHz

200 kHz

200 kHz

Efficiency AC/DC

> 86 %

> 86 %

> 86 %

> 86 %

> 86 %

Efficiency DC/AC

> 80 %

> 80 %

> 80 %

> 80 %

> 80 %

Rise time (10-90 %)

< 65 µs

Rise time (10-90 %)

< 50 µs

< 50 µs

< 50 µs

< 65 µs

< 65 µs

Closed Loop Bandwidth (-3 dB)

> 6.5 kHz

Closed Loop Bandwidth (-3 dB)

> 8 kHz

> 8 kHz

> 8 kHz

> 6.5 kHz

> 6.5 kHz

Output Accuracy

< 0.01 %/FS

< 0.01 %/FS

< 0.01 %/FS

< 0.01 %/FS

< 0.01 %/FS

Temperature Stability

< 10 ppm/K/FS

< 10 ppm/K/FS

< 10 ppm/K/FS

< 10 ppm/K/FS

< 10 ppm/K/FS

Long-Term Stability (8 h)

< 10 ppm/FS

< 10 ppm/FS

< 10 ppm/FS

< 10 ppm/FS

< 10 ppm/FS

Cooling

Forced air convection

Forced air convection

Forced air convection

Forced air convection

Forced air convection

Input Ratings

180 - 264 VAC / 47 - 63 Hz

180 - 264 VAC / 47 - 63 Hz

180 - 264 VAC / 47 - 63 Hz

180 - 264 VAC / 47 - 63 Hz

180 - 264 VAC / 47 - 63 Hz

Communication Interfaces

Ethernet 10/100/1000 Mbit TCP-IP and UDP
2 x Fast SFP+ ports

Ethernet 10/100/1000 Mbit TCP-IP and UDP
2 x Fast SFP+ ports

Ethernet 10/100/1000 Mbit TCP-IP and UDP
2 x Fast SFP+ ports

Ethernet 10/100/1000 Mbit TCP-IP and UDP
2 x Fast SFP+ ports

Ethernet 10/100/1000 Mbit TCP-IP and UDP
2 x Fast SFP+ ports

External Signals

1 x Acoustic Alarm (configurable)
4 x External Interlock Inputs (configurable dry contacts)
1 x Status Output Relay (magnetic)
1 x Output Relay (solid state)

1 x Acoustic Alarm (configurable)
4 x External Interlock Inputs (configurable dry contacts)
1 x Status Output Relay (magnetic)
1 x Output Relay (solid state)

1 x Acoustic Alarm (configurable)
4 x External Interlock Inputs (configurable dry contacts)
1 x Status Output Relay (magnetic)
1 x Output Relay (solid state)

1 x Acoustic Alarm (configurable)
4 x External Interlock Inputs (configurable dry contacts)
1 x Status Output Relay (magnetic)
1 x Output Relay (solid state)

1 x Acoustic Alarm (configurable)
4 x External Interlock Inputs (configurable dry contacts)
1 x Status Output Relay (magnetic)
1 x Output Relay (solid state)

Optional Features (code FB1K5OPT0001)

1 x Trigger Input (LVTTL, TTL)
1 x Analog Control Input (±10 V)
1 x Auxiliary ADC Input (16 bit, 100 ksps)
1 x K-type Thermocouple Input

1 x Trigger Input (LVTTL, TTL)
1 x Analog Control Input (±10 V)
1 x Auxiliary ADC Input (16 bit, 100 ksps)
1 x K-type Thermocouple Input

1 x Trigger Input (LVTTL, TTL)
1 x Analog Control Input (±10 V)
1 x Auxiliary ADC Input (16 bit, 100 ksps)
1 x K-type Thermocouple Input

1 x Trigger Input (LVTTL, TTL)
1 x Analog Control Input (±10 V)
1 x Auxiliary ADC Input (16 bit, 100 ksps)
1 x K-type Thermocouple Input

1 x Trigger Input (LVTTL, TTL)
1 x Analog Control Input (±10 V)
1 x Auxiliary ADC Input (16 bit, 100 ksps)
1 x K-type Thermocouple Input

Internal Interlocks

DC-Link Undervoltage
Over-Temperature
Over-Current and Over-Voltage
Regulation Fault

DC-Link Undervoltage
Over-Temperature
Over-Current and Over-Voltage
Regulation Fault

DC-Link Undervoltage
Over-Temperature
Over-Current and Over-Voltage
Regulation Fault

DC-Link Undervoltage
Over-Temperature
Over-Current and Over-Voltage
Regulation Fault

DC-Link Undervoltage
Over-Temperature
Over-Current and Over-Voltage
Regulation Fault

Hardware Protections

Battery Polarity Detection with embedded output enable switch
Input Fuses

Battery Polarity Detection with embedded output enable switch
Input Fuses

Battery Polarity Detection with embedded output enable switch
Input Fuses

Battery Polarity Detection with embedded output enable switch
Input Fuses

Battery Polarity Detection with embedded output enable switch
Input Fuses

Operating Ambient Temperature

0 ... 40 °C

0 ... 40 °C

0 ... 40 °C

0 ... 40 °C

0 ... 40 °C

Mechanical Dimensions

19" x 2U x 587 mm (including connectors)

19" x 2U x 587 mm (including connectors)

19" x 2U x 587 mm (including connectors)

19" x 2U x 587 mm (including connectors)

19" x 2U x 587 mm (including connectors)

Weight

15 kg

15 kg

15 kg

15 kg

15 kg

Output Voltage Range

0 - 100 V

Output Voltage Range

0 - 10 V

0 - 20 V

0 - 40 V

0 - 50 V

0 - 100 V

Output Current Range

±20 A

Output Current Range

±150 A

±100 A

±50 A

±30 A

±20 A

Rated Output Power

2000 W

Rated Output Power

1500 W

1500 W

1500 W

1500 W

2000 W

Output Topology

Bidirectional

Bidirectional

Bidirectional

Bidirectional

Bidirectional

Regulation Type

Constant Current (CC), Constant Voltage (CV) and Constant Power (CP)

Constant Current (CC), Constant Voltage (CV) and Constant Power (CP)

Constant Current (CC), Constant Voltage (CV) and Constant Power (CP)

Constant Current (CC), Constant Voltage (CV) and Constant Power (CP)

Constant Current (CC), Constant Voltage (CV) and Constant Power (CP)

Current Setting/Readback resolution

24 bit

24 bit

24 bit

24 bit

24 bit

Voltage Setting/Readback resolution

24 bit

24 bit

24 bit

24 bit

24 bit

Switching Frequency (equivalent)

200 kHz

Switching Frequency (equivalent)

200 kHz

200 kHz

200 kHz

200 kHz

200 kHz

Efficiency AC/DC

> 86 %

> 86 %

> 86 %

> 86 %

> 86 %

Efficiency DC/AC

> 80 %

> 80 %

> 80 %

> 80 %

> 80 %

Rise time (10-90 %)

< 65 µs

Rise time (10-90 %)

< 50 µs

< 50 µs

< 50 µs

< 65 µs

< 65 µs

Closed Loop Bandwidth (-3 dB)

> 6.5 kHz

Closed Loop Bandwidth (-3 dB)

> 8 kHz

> 8 kHz

> 8 kHz

> 6.5 kHz

> 6.5 kHz

Output Accuracy

< 0.01 %/FS

< 0.01 %/FS

< 0.01 %/FS

< 0.01 %/FS

< 0.01 %/FS

Temperature Stability

< 10 ppm/K/FS

< 10 ppm/K/FS

< 10 ppm/K/FS

< 10 ppm/K/FS

< 10 ppm/K/FS

Long-Term Stability (8 h)

< 10 ppm/FS

< 10 ppm/FS

< 10 ppm/FS

< 10 ppm/FS

< 10 ppm/FS

Cooling

Forced air convection

Forced air convection

Forced air convection

Forced air convection

Forced air convection

Input Ratings

180 - 264 VAC / 47 - 63 Hz

180 - 264 VAC / 47 - 63 Hz

180 - 264 VAC / 47 - 63 Hz

180 - 264 VAC / 47 - 63 Hz

180 - 264 VAC / 47 - 63 Hz

Communication Interfaces

Ethernet 10/100/1000 Mbit TCP-IP and UDP
2 x Fast SFP+ ports

Ethernet 10/100/1000 Mbit TCP-IP and UDP
2 x Fast SFP+ ports

Ethernet 10/100/1000 Mbit TCP-IP and UDP
2 x Fast SFP+ ports

Ethernet 10/100/1000 Mbit TCP-IP and UDP
2 x Fast SFP+ ports

Ethernet 10/100/1000 Mbit TCP-IP and UDP
2 x Fast SFP+ ports

External Signals

1 x Acoustic Alarm (configurable)
4 x External Interlock Inputs (configurable dry contacts)
1 x Status Output Relay (magnetic)
1 x Output Relay (solid state)

1 x Acoustic Alarm (configurable)
4 x External Interlock Inputs (configurable dry contacts)
1 x Status Output Relay (magnetic)
1 x Output Relay (solid state)

1 x Acoustic Alarm (configurable)
4 x External Interlock Inputs (configurable dry contacts)
1 x Status Output Relay (magnetic)
1 x Output Relay (solid state)

1 x Acoustic Alarm (configurable)
4 x External Interlock Inputs (configurable dry contacts)
1 x Status Output Relay (magnetic)
1 x Output Relay (solid state)

1 x Acoustic Alarm (configurable)
4 x External Interlock Inputs (configurable dry contacts)
1 x Status Output Relay (magnetic)
1 x Output Relay (solid state)

Optional Features (code FB1K5OPT0001)

1 x Trigger Input (LVTTL, TTL)
1 x Analog Control Input (±10 V)
1 x Auxiliary ADC Input (16 bit, 100 ksps)
1 x K-type Thermocouple Input

1 x Trigger Input (LVTTL, TTL)
1 x Analog Control Input (±10 V)
1 x Auxiliary ADC Input (16 bit, 100 ksps)
1 x K-type Thermocouple Input

1 x Trigger Input (LVTTL, TTL)
1 x Analog Control Input (±10 V)
1 x Auxiliary ADC Input (16 bit, 100 ksps)
1 x K-type Thermocouple Input

1 x Trigger Input (LVTTL, TTL)
1 x Analog Control Input (±10 V)
1 x Auxiliary ADC Input (16 bit, 100 ksps)
1 x K-type Thermocouple Input

1 x Trigger Input (LVTTL, TTL)
1 x Analog Control Input (±10 V)
1 x Auxiliary ADC Input (16 bit, 100 ksps)
1 x K-type Thermocouple Input

Internal Interlocks

DC-Link Undervoltage
Over-Temperature
Over-Current and Over-Voltage
Regulation Fault

DC-Link Undervoltage
Over-Temperature
Over-Current and Over-Voltage
Regulation Fault

DC-Link Undervoltage
Over-Temperature
Over-Current and Over-Voltage
Regulation Fault

DC-Link Undervoltage
Over-Temperature
Over-Current and Over-Voltage
Regulation Fault

DC-Link Undervoltage
Over-Temperature
Over-Current and Over-Voltage
Regulation Fault

Hardware Protections

Battery Polarity Detection with embedded output enable switch
Input Fuses

Battery Polarity Detection with embedded output enable switch
Input Fuses

Battery Polarity Detection with embedded output enable switch
Input Fuses

Battery Polarity Detection with embedded output enable switch
Input Fuses

Battery Polarity Detection with embedded output enable switch
Input Fuses

Operating Ambient Temperature

0 ... 40 °C

0 ... 40 °C

0 ... 40 °C

0 ... 40 °C

0 ... 40 °C

Mechanical Dimensions

19" x 2U x 587 mm (including connectors)

19" x 2U x 587 mm (including connectors)

19" x 2U x 587 mm (including connectors)

19" x 2U x 587 mm (including connectors)

19" x 2U x 587 mm (including connectors)

Weight

15 kg

15 kg

15 kg

15 kg

15 kg

Ordering options

Ordering code

Description

Action

BREG2010150A

BatReg² 10-150 High-Precision Digital Battery Regenerative Regulator (10 V, ±150 A)

BREG2020100A

BatReg² 20-100 High-Precision Digital Battery Regenerative Regulator (20 V, ±100 A)

BREG2040050A

BatReg² 40-50 High-Precision Digital Battery Regenerative Regulator (40 V, ±50 A)

BREG2050030A

BatReg² 50-30 High-Precision Digital Battery Regenerative Regulator (50 V, ±30 A)

BREG2100020A

BatReg² 100-20 High-Precision Digital Battery Regenerative Regulator (100 V, ±20 A)

Documentation

Last reviewed: 2025-07-23
ⓘ More infoRevision: 2.1

Last reviewed: 2026-01-22
ⓘ More infoRevision: 1.1

Last reviewed: 2026-01-21
ⓘ More infoRevision: 1.3

Last reviewed: 2025-05-26
⊕ Extras ⓘ More infoRevision: v1.0.5

Software/Firmware

Updated: 2026-02-03 - 92.60 MB
⟳ Changelog ⓘ More info Version: v1.2.05

Updated: 2025-08-27 - 28.07 MB
ⓘ More info Version: 2.2.6
OS: Linux

Updated: 2025-08-27 - 42.66 MB
ⓘ More info Version: 2.2.6
OS: Windows

Accessories

FB1K5OPT0001 - Analog Control, Trigger, Auxiliary and K-type thermocouple Inputs

FB1K5OPT0001 - Analog Control, Trigger, Auxiliary and K-type thermocouple Inputs

Analog Control, Auxiliary ADC, Trigger Input and K-type thermocouple add-ons - optional for BatReg²

Copyright CAEN ELS s.r.l.